
18121388846
cnklfm@163.com
15706269064
959210378GI手動真空蝶閥使碟板在90°范圍內自由轉動以達到啟閉或調節介質流量的目的。閥門的閥板采用夾緊結構,把閥板的密封圈夾緊,起到好的密封作用。閥門開閉有鎖定功能。適用的工作介質為空氣或非腐蝕性氣體。
| 適用范圍(Pa) | 105~1.3x10-4 |
| 閥門漏率(Pa.L/S) | <1.3x10-4 |
| 介質溫度(℃) | -25~+80(密封材料為丁腈橡膠) -30~+150(密封材料為氟橡膠) |
| 法蘭標準 | JB919 |
| 安裝位置 | 任意 |
閥體、閥蓋、閥桿:碳鋼或不銹鋼
密封件:丁腈橡膠、氟橡膠。

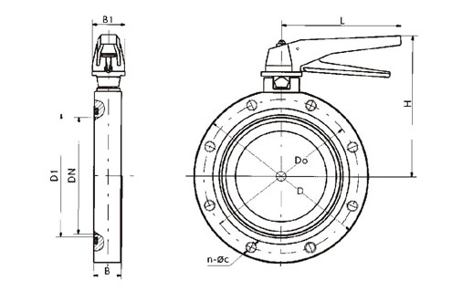
| 型號 | 通徑(DN) | D | Do | B | H | L | n-ΦC |
| GI-25 | 25 | 70 | 55 | 22 | 72 | 82 | 4-Φ7 |
| GI-32 | 32 | 78 | 64 | 22 | 76 | 82 | 4-Φ7 |
| GI-40 | 40 | 85 | 70 | 22 | 90 | 90 | 4-Φ7 |
| GI-50 | 50 | 110 | 90 | 22 | 98 | 90 | 4-Φ9 |
| GI-65 | 65 | 125 | 105 | 26 | 130 | 135 | 4-Φ9 |
| GI-80 | 80 | 145 | 125 | 30 | 140 | 135 | 4-Φ9 |
| GI-100 | 100 | 170 | 145 | 30 | 153 | 135 | 4-Φ12 |
| GI-125 | 125 | 195 | 170 | 30 | 165 | 135 | 4-Φ12 |
| GI-150 | 150 | 220 | 195 | 35 | 179 | 165 | 8-Φ12 |
| GI-200 | 200 | 275 | 250 | 40 | 208 | 185 | 8-Φ12 |
| GI-250 | 250 | 330 | 300 | 45 | 234 | 300 | 8-Φ12 |
| GI-300 | 300 | 380 | 350 | 55 | 300 | 350 | 8-Φ14 |
| GI-400 | 400 | 500 | 465 | 60 | 340 | 200 | 8-Φ18 |
獲取GI-手動真空蝶閥報價或訂購產品時請提供以下參數:
執行標準:國標GB,日標JIS,美標ANSI,德標DIN,并支持非標訂制;
公稱通徑(DN),或以“寸”為尺寸單位,如:DN100,4寸(4");
公稱壓力(MPa),或以“Lb”,“K”,“pa”,“kpa”,“bar”,“psi”,為壓力單位,如:1.6MPa,150LB,10K;其它壓力單位將換算成MPa進行計算。
連接形式:法蘭,對夾,焊接(對焊,承插焊),螺紋(G螺紋,NPT螺紋,RC螺紋...),卡箍,卡套;
使用介質:水,弱腐蝕性介質,強腐蝕性介質,蒸汽,油品,可燃氣體,固液共存流體,等等,粘稠介質需提供粘度;
使用溫度:低溫,常溫,中溫,高溫,需提供實際使用溫度值;
閥體材質:鑄鐵,鑄鋼(20#或稱WCB),鍛鋼,不銹鋼(304/304L/316/316L),雙相不銹鋼,等等;
密封材料:橡膠,聚四氟乙烯,陶瓷,PPL等,硬密封(閥體材料密封,合金鋼,硬質合金等);
驅動方式:手柄,蝸輪,氣動,氣動+手動,(選擇氣動驅動需提供氣源壓力,單/雙作用,附件要求...),電動,電動+手動,(選擇電動驅動需提供電壓,電裝防護/防爆要求...),等等;
閥門Kv/Cv值:若對流量有要求,需提出;
以上為常規選型,提供相關參數若符合常規產品即可獲取對應產品報價,非標訂制(非常規尺寸/閥體材質/密封材質/使用介質/溫度等)需由我司具體確認價格及貨期。
若有產品試驗、檢驗標準及其他要求需在獲取報價/訂貨時提出;
若由客戶提供閥門類型和型號時(非標準型號),客戶應正確說明其型號的含義和要求,在供需雙方理解相同的條件下簽訂合同;
產品質量要求、質量標準、供方對質量負責的條件:按有關質量標準執行;
報價確認:我司提供報價清單及標準說明至客戶確認,在雙方確認后再擬定合同;
GI-手動真空蝶閥使用的場合重要或環境比較復雜時,請您盡量提供設計圖紙和詳細參數,由我們幫您確認。



上海昆煉閥門制造有限公司
滬公網安備 SITEMAP