
18121388846
cnklfm@163.com
15706269064
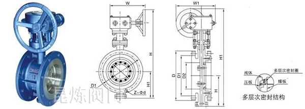
959210378D373H渦輪硬密封三偏心蝶閥的啟閉件是一個圓盤形的蝶板,在閥體內繞其自身的軸線旋轉,從而達到啟閉或調節的目的。蝶閥的優點有結構簡單、體積小、重量輕、安裝尺寸小、開關快。
渦輪硬密封三偏心蝶閥指閥桿軸心同時偏離碟片中心及本體中心,且密封副為斜椎的蝶閥。
渦輪硬密封三偏心蝶閥采用一個"U"型不銹鋼密封圈,內部的彈性密封圈與經過拋光的蝶板三維偏心接觸。解決了偏心蝶閥在啟閉0°~10°密封面仍處于滑動接觸摩擦的問題,實現蝶板在開啟密封面即分離,關閉接觸即密封,使用長、密封性能好。
1、渦輪硬密封三偏心蝶閥結構簡單、緊湊、重量輕、易于安裝和拆卸、維修方便;
2、對夾式硬密封蝶閥采用不銹鋼"U"型密封圈,具有彈性在高溫、低溫的情況下,它與蝶板均具有優良的密封性;
3、蝸輪對夾式蝶閥的三維偏心距,經過計算,"U"型密封圈與蝶板磨擦小,使用長,并具有越關越緊的功能;
4、蝶板密封面采用堆焊鈷基硬質合金,密封面耐磨損,使用長;
5、金屬硬密封蝶閥耐高溫、耐低溫、耐腐蝕性。
| 公稱通徑 | DN(mm) | 50~1200 | ||||
| 公稱壓力 | PN(MPa) | 0.6 | 1.0 | 1.6 | 2.5 | 4.0 |
| 試驗壓力 | 強度試驗 | 0.9 | 1.5 | 2.4 | 3.75 | 6.0 |
| 密封試驗 | 0.66 | 1.1 | 1.76 | 2.75 | 4.4 | |
| 氣密封試驗 | 0.6 | 0.6 | 0.6 | 0.6 | 0.6 | |
| 適用介質 | 水、蒸氣、油品、酸類腐蝕性等。 | |||||
| 適用溫度 | 碳鋼 :-29℃~600℃ 不銹鋼-40℃~600℃ | |||||
| 零件名稱 | 材料 |
| 閥體 | 鑄鐵、鑄鋼、不銹鋼、鉻鉬鋼、合金鋼 |
| 蝶板 | 鑄鋼、合金鋼(鍍硬鉻)、不銹鋼、鉻鉬鋼 |
| 密封圈 | 不銹鋼、聚內脂、抗磨材料 |
| 閥桿 | 2Cr13、1Cr13不銹鋼、鉻鉬鋼 |
| 填料 | 柔性石墨 |
| 通徑(DN) | L | D1 | D | Z-Φ d | H | H1 | W | W1 | Do |
| 50 | 43 | 125 | 102 | 4-18 | 360 | 112 | 200 | 200 | 160 |
| 65 | 46 | 145 | 122 | 4-18 | 380 | 115 | 200 | 200 | 160 |
| 80 | 49 | 160 | 133 | 8-18 | 455 | 120 | 220 | 200 | 160 |
| 100 | 56 | 180 | 158 | 8-18 | 490 | 140 | 240 | 200 | 160 |
| 125 | 64 | 210 | 184 | 8-18 | 490 | 170 | 260 | 200 | 160 |
| 150 | 70 | 240 | 212 | 8-22 | 630 | 180 | 280 | 280 | 240 |
| 200 | 71 | 295 | 268 | 12-22 | 690 | 210 | 320 | 280 | 240 |
| 250 | 76 | 355 | 320 | 12-26 | 830 | 240 | 360 | 280 | 240 |
| 300 | 83 | 410 | 370 | 12-26 | 930 | 290 | 460 | 420 | 310 |
| 350 | 92 | 470 | 430 | 16-26 | 1010 | 320 | 500 | 420 | 310 |
| 400 | 102 | 525 | 482 | 16-30 | 1070 | 350 | 540 | 420 | 310 |
| 450 | 114 | 585 | 532 | 20-30 | 1140 | 380 | 580 | 420 | 310 |
| 500 | 127 | 650 | 585 | 20-33 | 1200 | 410 | 620 | 420 | 310 |
| 600 | 154 | 770 | 685 | 20-36 | 1340 | 470 | 660 | 420 | 310 |
| 700 | 165 | 840 | 800 | 24-36 | 1600 | 550 | 750 | 550 | 400 |
| 800 | 190 | 950 | 905 | 24-39 | 1780 | 640 | 800 | 550 | 400 |
| 900 | 203 | 1050 | 1005 | 28-39 | 1920 | 710 | 850 | 550 | 400 |
| 1000 | 216 | 1170 | 1110 | 28-42 | 1960 | 770 | 1000 | 750 | 500 |
| 1200 | 254 | 1390 | 1330 | 32-48 | 2360 | 875 | 1050 | 750 | 500 |
| 1400 | 279 | 1590 | 1530 | 36-48 | 2530 | 970 | 800 | 890 | - |
| 1600 | 318 | 1820 | 1750 | 40-56 | 2640 | 1100 | 800 | 890 | - |
獲取D373H-渦輪硬密封三偏心蝶閥報價或訂購產品時請提供以下參數:
執行標準:國標GB,日標JIS,美標ANSI,德標DIN,并支持非標訂制;
公稱通徑(DN),或以“寸”為尺寸單位,如:DN100,4寸(4");
公稱壓力(MPa),或以“Lb”,“K”,“pa”,“kpa”,“bar”,“psi”,為壓力單位,如:1.6MPa,150LB,10K;其它壓力單位將換算成MPa進行計算。
連接形式:法蘭,對夾,焊接(對焊,承插焊),螺紋(G螺紋,NPT螺紋,RC螺紋...),卡箍,卡套;
使用介質:水,弱腐蝕性介質,強腐蝕性介質,蒸汽,油品,可燃氣體,固液共存流體,等等,粘稠介質需提供粘度;
使用溫度:低溫,常溫,中溫,高溫,需提供實際使用溫度值;
閥體材質:鑄鐵,鑄鋼(20#或稱WCB),鍛鋼,不銹鋼(304/304L/316/316L),雙相不銹鋼,等等;
密封材料:橡膠,聚四氟乙烯,陶瓷,PPL等,硬密封(閥體材料密封,合金鋼,硬質合金等);
驅動方式:手柄,蝸輪,氣動,氣動+手動,(選擇氣動驅動需提供氣源壓力,單/雙作用,附件要求...),電動,電動+手動,(選擇電動驅動需提供電壓,電裝防護/防爆要求...),等等;
閥門Kv/Cv值:若對流量有要求,需提出;
以上為常規選型,提供相關參數若符合常規產品即可獲取對應產品報價,非標訂制(非常規尺寸/閥體材質/密封材質/使用介質/溫度等)需由我司具體確認價格及貨期。
若有產品試驗、檢驗標準及其他要求需在獲取報價/訂貨時提出;
若由客戶提供閥門類型和型號時(非標準型號),客戶應正確說明其型號的含義和要求,在供需雙方理解相同的條件下簽訂合同;
產品質量要求、質量標準、供方對質量負責的條件:按有關質量標準執行;
報價確認:我司提供報價清單及標準說明至客戶確認,在雙方確認后再擬定合同;
D373H-渦輪硬密封三偏心蝶閥使用的場合重要或環境比較復雜時,請您盡量提供設計圖紙和詳細參數,由我們幫您確認。
上海昆煉閥門制造有限公司
滬公網安備 SITEMAP