
18121388846
cnklfm@163.com
15706269064
959210378J91W、JJY1卡套針型閥是儀表測量管路系統中組成部分,主要有針型截止閥和針型球閥,其功用是作開啟或切斷管道通路用。卡套針型閥的閥芯就是一個很尖的圓錐體。針型閥可用于高壓、高溫的管道介質里,但其公稱通徑較小。
卡套針型閥閥瓣通常與閥桿做成一體,它有一個與閥座配合、針形頭部。而且卡套針型閥閥桿螺紋的螺距比一般普通截止閥的閥桿螺紋螺距要細。在通常情況下,卡套針型閥閥座孔的尺寸比管道尺寸小。
1、緊湊而輕便;
2、O型圈+四氟密封壓力裝置;
3、螺紋下的密封填料可以以免螺紋被流體介質所腐蝕;
4、兩個流量口,有流量方向。
公稱通徑:DN6-DN25
公稱壓力:≤10000Psi
適用介質:水、蒸汽、油品、氣體
適用溫度:-40℃~350℃
制造標準:GB/T12224-2005 JB/T7747-1995
試驗標準:GB/T13927-1992
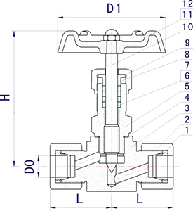
| 序號 | 零件名稱 | 材質屬性 |
| 1 | 卡套 | 20# A105 SS304 SS304L SS316 SS316L |
| 2 | 連接螺母 | 20# A105 SS304 SS304L SS316 SS316L |
| 3 | 閥體 | 20# A105 SS304 SS304L SS316 SS316L |
| 4 | 閥蓋墊片 | 紫銅 PTFE RTFE |
| 5 | 閥蓋 | 20# A105 SS304 SS304L SS316 SS316L |
| 6 | 填料墊 | PTFE 柔性石墨 金屬盤根 |
| 7 | 填料 | PTFE 柔性石墨 |
| 8 | 填料壓蓋 | 20# A105 SS304 SS304L SS316 SS316L |
| 9 | 鎖緊螺母 | 20# A105 SS304 SS304L SS316 SS316L |
| 10 | 閥桿 | 20# A105 SS304 SS304L SS316 SS316L |
| 11 | 手輪 | 20# A105 SS304 SS304L SS316 SS316L |
| 12 | 帶帽螺母 | 20# A105 SS304 SS304L SS316 SS316L |

| DN | DO | L | H | D1 |
| DN6 | Φ8 | 38 | 92 | Φ70 |
| DN10 | Φ10 | 38 | 92 | Φ70 |
| DN15 | Φ12 | 39 | 92 | Φ70 |
| DN20 | Φ14 | 40 | 94 | Φ70 |
| DN25 | Φ18 | 42 | 100 | Φ80 |

獲取J91W、JJY1-卡套針型閥報價或訂購產品時請提供以下參數:
執行標準:國標GB,日標JIS,美標ANSI,德標DIN,并支持非標訂制;
公稱通徑(DN),或以“寸”為尺寸單位,如:DN100,4寸(4");
公稱壓力(MPa),或以“Lb”,“K”,“pa”,“kpa”,“bar”,“psi”,為壓力單位,如:1.6MPa,150LB,10K;其它壓力單位將換算成MPa進行計算。
連接形式:法蘭,對夾,焊接(對焊,承插焊),螺紋(G螺紋,NPT螺紋,RC螺紋...),卡箍,卡套;
使用介質:水,弱腐蝕性介質,強腐蝕性介質,蒸汽,油品,可燃氣體,固液共存流體,等等,粘稠介質需提供粘度;
使用溫度:低溫,常溫,中溫,高溫,需提供實際使用溫度值;
閥體材質:鑄鐵,鑄鋼(20#或稱WCB),鍛鋼,不銹鋼(304/304L/316/316L),雙相不銹鋼,等等;
密封材料:橡膠,聚四氟乙烯,陶瓷,PPL等,硬密封(閥體材料密封,合金鋼,硬質合金等);
驅動方式:手柄,蝸輪,氣動,氣動+手動,(選擇氣動驅動需提供氣源壓力,單/雙作用,附件要求...),電動,電動+手動,(選擇電動驅動需提供電壓,電裝防護/防爆要求...),等等;
閥門Kv/Cv值:若對流量有要求,需提出;
以上為常規選型,提供相關參數若符合常規產品即可獲取對應產品報價,非標訂制(非常規尺寸/閥體材質/密封材質/使用介質/溫度等)需由我司具體確認價格及貨期。
若有產品試驗、檢驗標準及其他要求需在獲取報價/訂貨時提出;
若由客戶提供閥門類型和型號時(非標準型號),客戶應正確說明其型號的含義和要求,在供需雙方理解相同的條件下簽訂合同;
產品質量要求、質量標準、供方對質量負責的條件:按有關質量標準執行;
報價確認:我司提供報價清單及標準說明至客戶確認,在雙方確認后再擬定合同;
J91W、JJY1-卡套針型閥使用的場合重要或環境比較復雜時,請您盡量提供設計圖紙和詳細參數,由我們幫您確認。
上海昆煉閥門制造有限公司
滬公網安備 SITEMAP