
18121388846
cnklfm@163.com
15706269064
959210378AS汽水分離器適用于蒸汽、壓縮空氣及其它氣體系統,可除去蒸汽、壓縮空氣或氣體系統中所含水份,能符合設備所使用蒸汽的干燥性。
大量含水的蒸汽進入汽水分離器,并在其中以離心向下傾斜式運動。夾帶的水份由于速度的減小而被分離出來。被分離出來的液體流入下部經疏水閥排出體外,干燥清潔的蒸汽從分離器出口排出。
分離效率,低壓降;結構按壓力容器規范設計。汽水分離器為壓力容器結構碳鋼或不銹鋼設備。對蒸汽中含有空氣的情況,汽水分離器上部設計了排空氣口。
| 型號 | 材質 | 壓力等級 | 口徑(mm) | 連接方式 |
| AS | 不銹鋼/碳鋼 | PN16 | DN15-150 | 法蘭 |
| 不銹鋼/碳鋼 | PN16 | DN200-350 | 法蘭 |

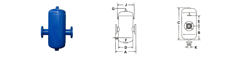
| 規格 | 設計壓力(MPa) | 外型尺寸(mm) | 重量(Kg) | 容量(L) | |||||||||
| A | B | C | D | E | F | G | H | I | J | ||||
| DN65 | 1.6 | 420 | 250 | 640 | 219 | 160 | 1” | 3/4” | 100 | 265 | 30 | 46.5 | 18 |
| 2.5 | 420 | 250 | 640 | 219 | 160 | 1” | 3/4” | 100 | 265 | 30 | 49 | 18 | |
| DN80 | 1.6 | 525 | 330 | 735 | 273 | 145 | 2” | 3/4” | 125 | 370 | 30 | 80 | 33 |
| 2.5 | 525 | 330 | 735 | 273 | 145 | 2” | 3/4” | 125 | 370 | 30 | 88 | 33 | |
| DN100 | 1.6 | 575 | 335 | 795 | 324 | 165 | 2” | 3/4” | 125 | 385 | 40 | 98 | 50 |
| 2.5 | 575 | 335 | 795 | 324 | 165 | 2” | 3/4” | 125 | 385 | 40 | 106 | 50 | |
| DN125 | 1.6 | 656 | 312 | 845 | 356 | 230 | 2” | 3/4” | 150 | 415 | 44 | 115 | 67 |
| 3.0 | 656 | 312 | 845 | 356 | 230 | 2” | 3/4” | 150 | 415 | 44 | 134 | 67 | |
| DN150 | 1.6 | 706 | 345 | 935 | 406 | 245 | 2” | 3/4” | 150 | 465 | 60 | 154 | 96 |
| 3.0 | 706 | 345 | 935 | 406 | 245 | 2” | 3/4” | 150 | 465 | 60 | 172 | 96 | |
| DN200 | 0.6 | 850 | 465 | 1200 | 500 | 375 | 2” | 2” | 175 | 560 | 60 | 275 | 185 |
| 1.6 | 850 | 465 | 1200 | 500 | 375 | 2” | 2” | 175 | 560 | 60 | 280 | 185 | |
| 3.0 | 858 | 460 | 1200 | 508 | 375 | 2” | 2” | 175 | 565 | 60 | 280 | 230 | |
| DN250 | 0.6 | 950 | 615 | 1580 | 600 | 532 | 2” | 2” | 175 | 685 | 72 | 475 | 335 |
| 1.6 | 950 | 615 | 1580 | 600 | 532 | 2” | 2” | 175 | 685 | 72 | 475 | 335 | |
| 3.0 | 960 | 615 | 1580 | 610 | 532 | 2” | 2” | 175 | 695 | 72 | 475 | 333 | |
| DN300 | 0.6 | 1000 | 740 | 1700 | 600 | 542 | 2” | 2” | 200 | 685 | 72 | 500 | 330 |
| 1.6 | 1000 | 740 | 1700 | 600 | 542 | 2” | 2” | 200 | 685 | 72 | 500 | 330 | |
| 3.0 | 1010 | 740 | 1700 | 610 | 542 | 2” | 2” | 200 | 695 | 72 | 500 | 330 | |
| DN350 | 0.6/1.6/3.0 | 1100 | 755 | 1800 | 700 | 526 | 2” | 2” | 200 | 815 | 108 | 550 | 535 |
獲取AS-汽水分離器報價或訂購產品時請提供以下參數:
執行標準:國標GB,日標JIS,美標ANSI,德標DIN,并支持非標訂制;
公稱通徑(DN),或以“寸”為尺寸單位,如:DN100,4寸(4");
公稱壓力(MPa),或以“Lb”,“K”,“pa”,“kpa”,“bar”,“psi”,為壓力單位,如:1.6MPa,150LB,10K;其它壓力單位將換算成MPa進行計算。
連接形式:法蘭,對夾,焊接(對焊,承插焊),螺紋(G螺紋,NPT螺紋,RC螺紋...),卡箍,卡套;
使用介質:水,弱腐蝕性介質,強腐蝕性介質,蒸汽,油品,可燃氣體,固液共存流體,等等,粘稠介質需提供粘度;
使用溫度:低溫,常溫,中溫,高溫,需提供實際使用溫度值;
閥體材質:鑄鐵,鑄鋼(20#或稱WCB),鍛鋼,不銹鋼(304/304L/316/316L),雙相不銹鋼,等等;
密封材料:橡膠,聚四氟乙烯,陶瓷,PPL等,硬密封(閥體材料密封,合金鋼,硬質合金等);
驅動方式:手柄,蝸輪,氣動,氣動+手動,(選擇氣動驅動需提供氣源壓力,單/雙作用,附件要求...),電動,電動+手動,(選擇電動驅動需提供電壓,電裝防護/防爆要求...),等等;
閥門Kv/Cv值:若對流量有要求,需提出;
以上為常規選型,提供相關參數若符合常規產品即可獲取對應產品報價,非標訂制(非常規尺寸/閥體材質/密封材質/使用介質/溫度等)需由我司具體確認價格及貨期。
若有產品試驗、檢驗標準及其他要求需在獲取報價/訂貨時提出;
若由客戶提供閥門類型和型號時(非標準型號),客戶應正確說明其型號的含義和要求,在供需雙方理解相同的條件下簽訂合同;
產品質量要求、質量標準、供方對質量負責的條件:按有關質量標準執行;
報價確認:我司提供報價清單及標準說明至客戶確認,在雙方確認后再擬定合同;
AS-汽水分離器使用的場合重要或環境比較復雜時,請您盡量提供設計圖紙和詳細參數,由我們幫您確認。
上海昆煉閥門制造有限公司
滬公網安備 SITEMAP