
18121388846
cnklfm@163.com
15706269064
959210378Q911F電動二片式球閥是一種球閥類別,它有著自身結構的一些特點,如開關摩擦小,密封不易磨損,啟閉力矩小。這樣可減小所配執行器的規格。配精小型電動執行機構,可實現對介質的調節和切斷。
介質溫度:-10°~180°
環境溫度:-10°~60°
公稱壓力:0~4.0Mpa
控制電源:AC110V、AC220V、AC380、DC24V
規格:1/2″~3″
閥體材質:304、316
閥座材質:PTFE
閥桿材質:304
控制特點:開關型,調節型
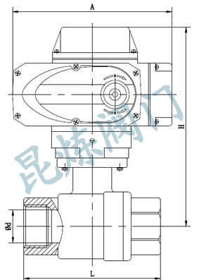
| 規格 | Фd | L | A | H | ![]() |
| 1/2" | 15 | 65 | 160 | 166 | |
| 3/4" | 20 | 75 | 160 | 174 | |
| 1" | 25 | 88 | 160 | 184 | |
| 1-1/4" | 32 | 102 | 160 | 190 | |
| 1-1/2" | 40 | 110 | 160 | 205 | |
| 2" | 50 | 125 | 198 | 245 | |
| 2-1/2" | 65 | 160 | 255 | 302 | |
| 3 | 80 | 175 | 255 | 312 | |
| 備注:此數據僅供參考,以實物為準,如有更改,恕不另行通知。 | |||||
獲取Q911F-電動二片式球閥報價或訂購產品時請提供以下參數:
執行標準:國標GB,日標JIS,美標ANSI,德標DIN,并支持非標訂制;
公稱通徑(DN),或以“寸”為尺寸單位,如:DN100,4寸(4");
公稱壓力(MPa),或以“Lb”,“K”,“pa”,“kpa”,“bar”,“psi”,為壓力單位,如:1.6MPa,150LB,10K;其它壓力單位將換算成MPa進行計算。
連接形式:法蘭,對夾,焊接(對焊,承插焊),螺紋(G螺紋,NPT螺紋,RC螺紋...),卡箍,卡套;
使用介質:水,弱腐蝕性介質,強腐蝕性介質,蒸汽,油品,可燃氣體,固液共存流體,等等,粘稠介質需提供粘度;
使用溫度:低溫,常溫,中溫,高溫,需提供實際使用溫度值;
閥體材質:鑄鐵,鑄鋼(20#或稱WCB),鍛鋼,不銹鋼(304/304L/316/316L),雙相不銹鋼,等等;
密封材料:橡膠,聚四氟乙烯,陶瓷,PPL等,硬密封(閥體材料密封,合金鋼,硬質合金等);
驅動方式:手柄,蝸輪,氣動,氣動+手動,(選擇氣動驅動需提供氣源壓力,單/雙作用,附件要求...),電動,電動+手動,(選擇電動驅動需提供電壓,電裝防護/防爆要求...),等等;
閥門Kv/Cv值:若對流量有要求,需提出;
以上為常規選型,提供相關參數若符合常規產品即可獲取對應產品報價,非標訂制(非常規尺寸/閥體材質/密封材質/使用介質/溫度等)需由我司具體確認價格及貨期。
若有產品試驗、檢驗標準及其他要求需在獲取報價/訂貨時提出;
若由客戶提供閥門類型和型號時(非標準型號),客戶應正確說明其型號的含義和要求,在供需雙方理解相同的條件下簽訂合同;
產品質量要求、質量標準、供方對質量負責的條件:按有關質量標準執行;
報價確認:我司提供報價清單及標準說明至客戶確認,在雙方確認后再擬定合同;
Q911F-電動二片式球閥使用的場合重要或環境比較復雜時,請您盡量提供設計圖紙和詳細參數,由我們幫您確認。
上海昆煉閥門制造有限公司
滬公網安備 SITEMAP