
18121388846
cnklfm@163.com
15706269064
959210378UPVC塑料電磁閥的UPVC又稱硬PVC,它是氯乙烯單體經聚合反應而制成的無定形熱塑性樹脂加添加劑組成。有較強的力學性能,難燃,介電性能良好,具有優良的耐腐蝕性能,可適應一般性的腐蝕性流體。
1、流體與金屬部件(動鐵芯、彈簧)隔絕,實現了結構上耐腐蝕;
2、活塞取代膜片,電磁閥使用長;
3、先導孔孔徑大,路徑短且直,不易被顆粒物、沉淀物或流體中的結晶物堵塞(例如:水中的泥沙、鹵水中的結晶鹽等);
4、嵌入式密封結構,密封性能好。
5、電磁閥無泄漏;
6、電磁閥流量孔徑為標準值,符合相對應的流量要求;
7、電磁閥對流體中的顆粒物、沉淀物適應性,應用在污水處理、農林灌溉、海水養殖。工業過程中的酸性、堿性流體在如磷酸等易結晶流體方面具有優;
8、所用UPVC材料、密封件符合標準。
| 產品型號 | UPVC-15 | UPVC-20 | UPVC-25 | UPVC-32 | UPVC-40 | UPVC-50 | |
| 通量孔徑mm | 15 | 20 | 25 | 32 | 40 | 50 | |
| Cv | 4 | 5.5 | 13 | 17 | 25 | 40 | |
| 接管口徑 | 1/2” | 3/4” | 1” | 11/4” | 11/2” | 2” | |
| 介質 | 弱酸堿(氣體、液體),具體咨詢 | ||||||
| 介質溫度 | Max.+95℃ | ||||||
| 使用壓力 | 0.01~0.6(MPa)先導式、0~1.5米水柱 直動式 | ||||||
| 耐壓強度 | 1.2MPa | ||||||
| 密封材質 | FKM、VITON | ||||||
| 電壓 | AC220V | 15W | 25W | 啟動:350W 保持:10W | |||
| DC24V | 15W | 25W | 啟動:85W 保持:25W | ||||

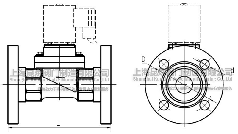
| 連接方式 | 外型尺寸(mm) | ||||||
| L | H | W | C | A | K | D | |
| G1/2 | 75 | 132 | 63.5 | 63.5 | 16 | 92 | Φ64 |
| G3/4 | 80 | 137 | 63.5 | 63.5 | 19 | 92 | Φ75 |
| G1 | 100 | 147 | 74 | 74 | 26 | 92 | Φ85 |
| G1-1/4 | 120 | 171 | 94 | 94 | 30 | 94 | Φ100 |
| G1-1/2 | 130 | 180 | 94 | 94 | 32.5 | 94 | Φ110 |
| G2 | 172 | 225 | 155 | 155 | 42 | 94 | Φ125 |
注:標配為國標G螺紋。NPT螺紋等可訂制

| 連接方式 | 外型尺寸(mm) | ||||||
| L | H | W | C | A | K | D | |
| 法蘭 | 108 | 132 | 63.5 | 63.5 | 16 | 92 | Φ64 |
| 法蘭 | 125 | 137 | 63.5 | 63.5 | 19 | 92 | Φ75 |
| 法蘭 | 152 | 147 | 74 | 74 | 26 | 92 | Φ85 |
| 法蘭 | 183 | 171 | 94 | 94 | 30 | 94 | Φ100 |
| 法蘭 | 201 | 180 | 94 | 94 | 32.5 | 94 | Φ110 |
| 法蘭 | 264 | 225 | 155 | 155 | 42 | 94 | Φ125 |
注:標配為國標法蘭。美標、日標法蘭可訂制

| 連接方式 | 外型尺寸(mm) | ||||||
| L | H | W | C | A | K | S | |
| DN15活接 | 169 | 143 | 63.5 | 63.5 | 116 | 92 | 16.5 |
| DN20活接 | 198 | 149.5 | 63.5 | 63.5 | 118 | 92 | 19 |
| DN25活接 | 234 | 158 | 74 | 74 | 121 | 92 | 22.5 |
| DN32活接 | 272 | 184 | 94 | 94 | 141 | 94 | 26.5 |
| DN40活接 | 290 | 196.5 | 94 | 94 | 147.5 | 94 | 31.5 |
| DN50活接 | 360 | 242.5 | 155 | 155 | 183 | 94 | 38 |
| DN65活接 | 412 | 258 | 155 | 155 | 183 | 94 | 44 |
注:標配為國標活接。美標、日標活接可訂制
獲取SD-UPVC塑料電磁閥報價或訂購產品時請提供以下參數:
執行標準:國標GB,日標JIS,美標ANSI,德標DIN,并支持非標訂制;
公稱通徑(DN),或以“寸”為尺寸單位,如:DN100,4寸(4");
公稱壓力(MPa),或以“Lb”,“K”,“pa”,“kpa”,“bar”,“psi”,為壓力單位,如:1.6MPa,150LB,10K;其它壓力單位將換算成MPa進行計算。
連接形式:法蘭,對夾,焊接(對焊,承插焊),螺紋(G螺紋,NPT螺紋,RC螺紋...),卡箍,卡套;
使用介質:水,弱腐蝕性介質,強腐蝕性介質,蒸汽,油品,可燃氣體,固液共存流體,等等,粘稠介質需提供粘度;
使用溫度:低溫,常溫,中溫,高溫,需提供實際使用溫度值;
閥體材質:鑄鐵,鑄鋼(20#或稱WCB),鍛鋼,不銹鋼(304/304L/316/316L),雙相不銹鋼,等等;
密封材料:橡膠,聚四氟乙烯,陶瓷,PPL等,硬密封(閥體材料密封,合金鋼,硬質合金等);
驅動方式:手柄,蝸輪,氣動,氣動+手動,(選擇氣動驅動需提供氣源壓力,單/雙作用,附件要求...),電動,電動+手動,(選擇電動驅動需提供電壓,電裝防護/防爆要求...),等等;
閥門Kv/Cv值:若對流量有要求,需提出;
以上為常規選型,提供相關參數若符合常規產品即可獲取對應產品報價,非標訂制(非常規尺寸/閥體材質/密封材質/使用介質/溫度等)需由我司具體確認價格及貨期。
若有產品試驗、檢驗標準及其他要求需在獲取報價/訂貨時提出;
若由客戶提供閥門類型和型號時(非標準型號),客戶應正確說明其型號的含義和要求,在供需雙方理解相同的條件下簽訂合同;
產品質量要求、質量標準、供方對質量負責的條件:按有關質量標準執行;
報價確認:我司提供報價清單及標準說明至客戶確認,在雙方確認后再擬定合同;
SD-UPVC塑料電磁閥使用的場合重要或環境比較復雜時,請您盡量提供設計圖紙和詳細參數,由我們幫您確認。
上海昆煉閥門制造有限公司
滬公網安備 SITEMAP